Артикул: 00062600
Устройства плавного пуска серии SSI – защита любых асинхронных двигателей в различных применениях.
Устройства плавного пуска серии SSI предназначены для плавного запуска асинхронных короткозамкнутых электродвигателей путем постепенного повышения напряжения на статоре двигателя. Устройства плавного пуска серии SSI снабжены силовыми тиристорными модулями в каждой фазе, включенными по встречно - параллельной схеме, что обеспечивает управление всеми тремя фазами на протяжении полного периода пуска и останова двигателя. Устройства плавного пуска INSTART применяются в различных областях промышленности, везде, где необходим контролируемый пуск и останов двигателя. Данные устройства могут использоваться как в легких, так и в тяжелых условиях пуска.Гарантия 2 года
Какую серию выбрать SSI или SBI?
серия SSI
Стандартная серия общего применения с внешним обводным контактором (не входит в комплект поставки)Диапазон мощности: 5.5 - 600 кВт
УПП серии SSI предпочтительнее в случаях:
- Если УПП подключается к электродвигателю, который был установлен ранее и до это запускался прямым пуском. В этом случае задействуется имеющийся контактор.
- Если необходимо реализовать возможность как плавного пуска электродвигателя (с использованием УПП), так и прямого пуска двигателя через контактор.
- Если необходимо реализовать плавный пуск электродвигателя мощностью более 75 кВт.
серия SBI
Стандартная серия общего применения со встроенным обводным контакторомДиапазон мощности: 5.5 - 55 кВт
УПП серии SBI предпочтительнее в случаях:
- Если с помощью серии производится первичное подключение электродвигателя с нуля. В этом случае наличие встроенного обводного контактора максимально упросит процесс подключения.
- Если габариты являются критически важным параметром. Использование УПП со встроенным обводным контактором позволяет минимизировать требуемые габаритные размеры.
Система обозначения

1. Серия
2. Мощность, кВт
3. Ток, А
4. Входное напряжение, В
4: 3 ~ 400 (380) B, 50/60 Гц
6: 3 ~ 690 (660) B, 50/60 Гц
5. Платы расширения (опция для УПП серии SNI)
6. Дополнительное защитное покрытие плат лаком
7. Защитное покрытие плат компаундом
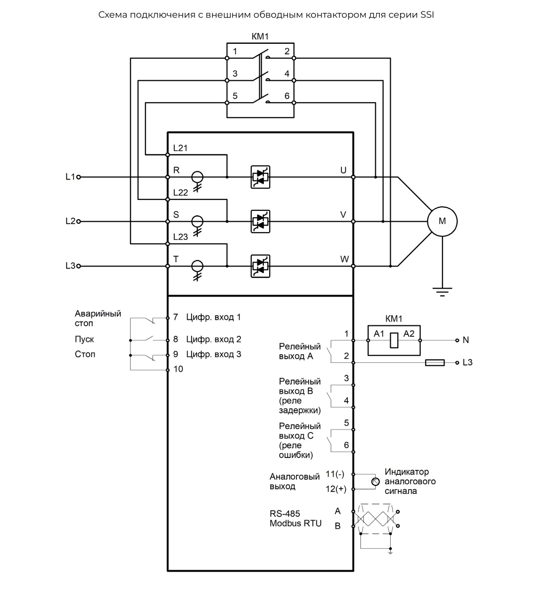
Схема подключения

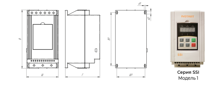
Массогабаритные характеристики
Габаритные и установочные размеры устройств плавного пуска серии SSI от 5.5 до 55 кВт

| Модель | Габариты, мм | Установочные размеры, мм | вес (нетто), кг | |||
|---|---|---|---|---|---|---|
| ш | в | г | ш1 | в1 | ||
| SSI-5.5/11-04 | 148 | 271 | 160 | 130 | 247 | 5 |
| SSI-7.5/15-04 | 148 | 271 | 160 | 130 | 247 | 5 |
| SSI-11/23-04 | 148 | 271 | 160 | 130 | 247 | 5 |
| SSI-15/30-04 | 148 | 271 | 160 | 130 | 247 | 5 |
| SSI-18.5/37-04 | 148 | 271 | 160 | 130 | 247 | 5 |
| SSI-22/43-04 | 148 | 271 | 160 | 130 | 247 | 5 |
| SSI-30/60-04 | 148 | 271 | 160 | 130 | 247 | 5 |
| SSI-37/75-04 | 148 | 271 | 160 | 130 | 247 | 5 |
| SSI-45/90-04 | 148 | 271 | 160 | 130 | 247 | 5 |
| SSI-55/110-04 | 148 | 271 | 160 | 130 | 247 | 5 |
Габаритные и установочные размеры устройств плавного пуска серии SSI от 75 до 600 кВт

| Модель | Габариты, мм | Установочные размеры, мм | вес (нетто), кг | |||
|---|---|---|---|---|---|---|
| ш | в | г | ш1 | в1 | ||
| SSI-75/150-04 | 257 | 513 | 196 | 235 | 380 | 21 |
| SSI-90/180-04 | 257 | 513 | 196 | 235 | 380 | 21 |
| SSI-115/230-04 | 257 | 513 | 196 | 235 | 380 | 21 |
| SSI-132/264-04 | 257 | 513 | 196 | 235 | 380 | 21 |
| SSI-160/320-04 | 257 | 513 | 196 | 235 | 380 | 21 |
| SSI-185/370-04 | 257 | 513 | 196 | 235 | 380 | 21 |
| SSI-200/400-04 | 257 | 513 | 196 | 235 | 380 | 21 |
| SSI-250/500-04 | 290 | 553 | 248 | 260 | 465 | 21 |
| SSI-280/560-04 | 290 | 553 | 248 | 260 | 465 | 21 |
| SSI-320/640-04 | 290 | 553 | 248 | 260 | 465 | 25 |
| SSI-355/710-04 | 330 | 586 | 246 | 300 | 508 | 25 |
| SSI-400/800-04 | 330 | 586 | 246 | 300 | 508 | 30 |
| SSI-450/900-04 | 330 | 586 | 246 | 300 | 508 | 30 |
| SSI-500/1000-04 | 410 | 665 | 255 | 350 | 547 | 42 |
| SSI-600/1200-04 | 410 | 665 | 255 | 350 | 547 | 42 |
Массогабаритные характеристики устройств плавного пуска могут отличаться в зависимости от партии выпуска.
Серия
SSI
Напряжение, В
3 ~ 400В, 50|60Гц
Номинальный ток (А)
370А
Мощность, кВт
185кВт
Степень защиты
IP00
Номинальное напряжение (U,B)
400В
Вес, кг
21
Длина, мм
257
Ширина, мм
513
Количество фаз на входе
3Ф
Количество фаз на выходе
3Ф
Частота, Гц
50/60Гц
Совместимый тип элекродвигателя
асинхронный
Тип панели управления
съемная
Резервное копирование с помощью панели
нет
Независимое питание платы управления
да
Тип встроенного источника питания
нет
Цифровые программируемые входы
нет
Цифровые непрограммируемые входы
3 NPN
Релейные программируемые выходы
1
Аналоговые выходы
1
Сетевой протокол
ModBUS RTU
Часы реального времени
нет
Подключение термистора ЭД
нет
Способ монтажа
настенный
Тип дисплея
светодиодный (LED)
U2 (напряжение вторичное выходное) (В)
400В
Рабочая температура
от -30 до + 55 С
Пусковой ток, %
200…500%
Частота пусков за 60 мин.
20
Тип подключения к ЭД
"в линию"
Релейные непрограммируемые выходы
1
Встроенный обводной контактор (байпас)
нет
Ширина, мм
257мм
Высота мм
513мм
Глубина, мм
196мм
Глубина упаковки, мм
270мм
Ширина упаковки, мм
315мм
Высота упаковки, мм
585мм
Вес нетто, кг
18.0кг
Вес брутто, кг
21.0кг
Гарантийный срок, месяц
36
ТЕХНИЧЕСКИЕ ХАРАКТЕРИСТИКИ УСТРОЙСТВ ПЛАВНОГО ПУСКА INSTART СЕРИИ SSI
| Модель | Мощность двигателя, кВт | Ток, А |
|---|---|---|
|
Вход: 3 фазы, 342-440 В (+5% не более 20 мс), 50/60 Гц ±2% |
||
| SSI-5.5/11-04 | 5.5 | 11 |
| SSI-7.5/15-04 | 7.5 | 15 |
| SSI-11/23-04 | 11 | 23 |
| SSI-15/30-04 | 15 | 30 |
| SSI-18.5/37-04 | 18.5 | 37 |
| SSI-22/43-04 | 22 | 43 |
| SSI-30/60-04 | 30 | 60 |
| SSI-37/75-04 | 37 | 75 |
| SSI-45/90-04 | 45 | 90 |
| SSI-55/110-04 | 55 | 110 |
| SSI-75/150-04 | 75 | 150 |
| SSI-90/180-04 | 90 | 180 |
| SSI-115/230-04 | 115 | 230 |
| SSI-132/264-04 | 132 | 264 |
| SSI-160/320-04 | 160 | 320 |
| SSI-185/370-04 | 185 | 370 |
| SSI-200/400-04 | 200 | 400 |
| SSI-250/500-04 | 250 | 500 |
| SSI-280/560-04 | 280 | 560 |
| SSI-320/640-04 | 320 | 640 |
| SSI-355/710-04 | 355 | 710 |
| SSI-400/800-04 | 400 | 800 |
| SSI-450/900-04 | 450 | 900 |
| SSI-500/1000-04 | 500 | 1000 |
| SSI-600/1200-04 | 600 | 1200 |
ТЕХНИЧЕСКАЯ СПЕЦИФИКАЦИЯ УСТРОЙСТВ ПЛАВНОГО ПУСКА INSTART СЕРИИ SSI
| Компонент | Характеристика |
|---|---|
| Напряжение питания и диапазон мощностей | 3 фазы, 342-440 В (+ 5% не более 20мс), 5.5 - 600 кВт |
| Частота электропитания | 50/60 Гц ± 2% |
| Применяемые электродвигатели | Трехфазные асинхронные с короткозамкнутым ротором |
| Частота пусков | Не более 20 раз в час (не чаще 1 раза в 3 минуты) |
| Пусковое напряжение | 30-70% |
| Ограничение пускового тока | 200-500% |
| Время пуска | 2-60 с |
| Время останова | 0- 60 с |
| Максимальные рабочий ток | 50 — 200 % |
| Режимы пуска | Режим ограничения тока; режим рампы по напряжению; запуск рывком в режиме ограничения тока; запуск рывком в режиме рампы по напряжению; режим рампы по току; режим двойного контура регулирования; с ограничением тока и напряжения |
| Режимы останова | Режим плавного останова, режим свободного останова |
| Наличие шунтирующего контактора | Отсутствует (необходимо использовать внешний контактор) |
| Релейные выходы | Программируемый выход с задержкой, выход ошибки, управление шунтирующим контактором |
| Входы управления | Пуск, стоп, аварийный стоп |
| Аналоговый выход | 4…20 мА, мониторинг действующего тока двигателя |
| Сетевой протокол | Поддержка стандартного протокола Modbus RTU |
| Функции защиты | Защита от перегрева устройства плавного пуска, защита от обрыва входной фазы, защита от обрыва выходной фазы, защита от перекоса фаз, токовая защита при запуске, защита от перегрузки в процессе работы двигателя, защита от пониженного напряжения, защита от повышенного напряжения, защита от короткого замыкания нагрузки, защита от длительного пуска, защита от установки неверных параметров, защита от неверного подключения |
| Защитное покрытие плат | С2С базовое, С3С опция |
| Степень защиты | IP20: модели от 5.5 кВт по 55 кВт IP00: модели от 75 кВт |
| Внешние условия | Размещение на высоте до 1000 м. При размещении выше 1000 м следует использовать устройство большей мощности. Температура окружающего воздуха - в интервале от -30 до +55°С, влажность воздуха - не более 90%, без конденсата. Размещение устройства - в помещении с хорошей вентиляцией, при отсутствии коррозионно-активных веществ и электропроводящей пыли. Вибрации не должны превышать 0.5 G |
| Система охлаждения | Естественное охлаждение воздухом |
В настоящий момент этих товаров нет в наличии
