Фильтр dU/dt — это пассивный электронный компонент, который устанавливается между частотным преобразователем и электродвигателем. Снижает скорость нарастания напряжения (dU/dt) и уменьшает пиковые перенапряжения на клеммах электродвигателя, возникающие из-за ШИМ.
Система обозначения
1. IDUDT – серия фильтров dU/dt
2. W.W – мощность, кВт
3. V.V – ток, А
4. Z – номинальное напряжение:
4: 3 ~ 400 (380) В, 50/60 Гц;
6: 3 ~ 690 (660) В, 50/60 Гц.
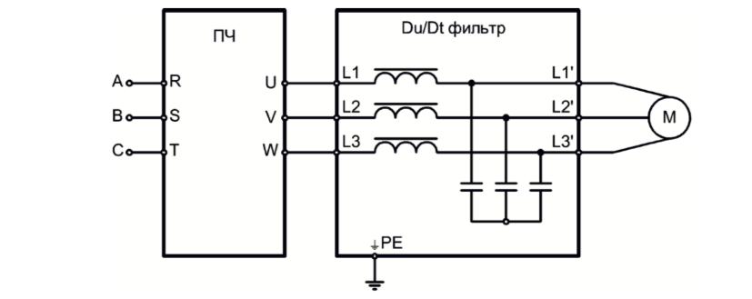
Схема подключения
Монтаж должен выполняться только квалифицированным персоналом с соблюдением правил электробезопасности.
Фильтр IDUDT должен устанавливаться в закрытый монтажный шкаф с ограниченным доступом, в котором необходимо обеспечить отвод выделяемого тепла, оставив не менее 100 мм свободного места сверху и снизу и не менее 50 мм по бокам (если фильтр монтируется рядом с другими устройствами). Размещение должно осуществляться на прочную несущую поверхность, исключающую вибрацию и смещение, в вертикальном положении.
Подключение осуществляется между преобразователем частоты и электродвигателем (как можно ближе к преобразователю частоты)
Технические характеристики dU/dt фильтров серии IDUDT
| Параметр | Значение | |||||||
| Диапазон напряжения на входе | 3 ~ 400 В ± 10 %; 3 ~ 690 ± 10 % | |||||||
| Рабочая частота | 50/60 Гц* | |||||||
| Несущая частота | Зависит от мощности, см. таблицу 1 | |||||||
| Падение напряжения | < 4 % (на ЭД)** | |||||||
| Максимальный ток, А | 1,5 х Iн (в течение 60 с, не чаще 1 раза в 10 минут) | |||||||
| Условия окружающей среды | Помещения закрытые, взрывобезопасные, без агрессивных паров и газов, температура от - 25 °С до + 45 °С влажность до 80 % (без конденсата), допустимая вибрация до 1.5g, атмосферное давление От 80 до 106 кПа, высота до 1000 м над уровнем моря. | |||||||
| Длина кабеля от ПЧ до фильтра | Минимальная (до 5 м для мощности < 90 кВт, до 10 м при мощности > 90 кВт) | |||||||
| Длина кабеля от ПЧ до ЭД | 100-300 м, экранирование не требуется | |||||||
| Степень защиты | IP00 | |||||||
| Способ охлаждения | Естественное воздушное | |||||||
