Отличия преобразователя частоты и устройства плавного пуска
Принцип работы УПП и основные узлы
При прямом пуске электродвигателя, как правило, происходит значительный рост пусковых токов (в 7-10 раз выше номинала) и крутящего момента.
Устройства плавного пуска предназначены для запуска электродвигателя в плавном режиме (без резкого возрастания токовой нагрузки). Использование УПП позволяет снизить нагрузку на сеть, увеличивает срок службы электродвигателя.
Примечание: изменение направления вращения двигателя (функция реверса) с помощью УПП при этом невозможна!
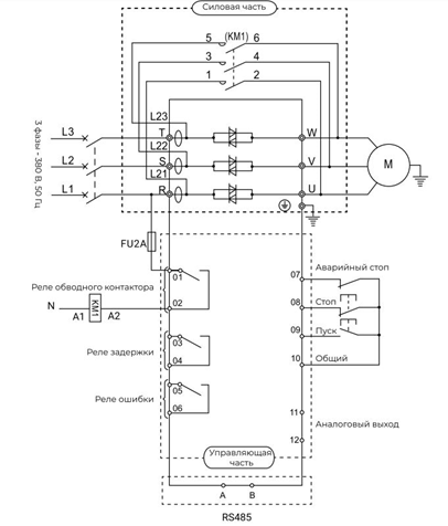
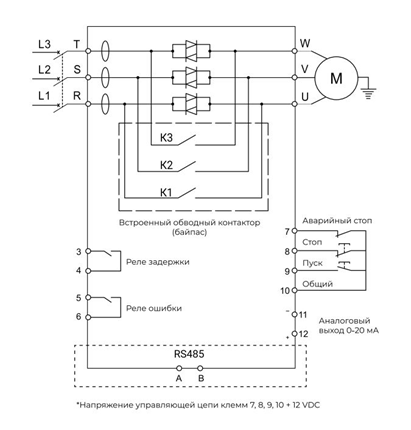
В момент разгона УПП устанавливает выходное напряжение на электродвигатель в устанавливаемых пределах 30-80% от значений питающей сети, затем постепенно увеличивает его до номинала. С ростом напряжения снижается пусковой ток и скорость его нарастания. Время пуска электродвигателя увеличивается. Для ограничения напряжения применяются силовые ключи — тиристоры.
После того, как напряжение на электродвигателе достигает номинального значения и процесс разгона завершается УПП переключает нагрузку на работу от питающей сети с помощью байпасного (обводного) контактора.
Принципиальная схема УПП со встроенным байпасом
Принципиальная схема УПП с внешним байпасом
Подключение устройств плавного пуска возможно, как «в линию» (как на схемах выше), так и «внутри треугольника» (в линейке продукции INSTART возможно только на серии SNI). При подключении «в линию» все фазы подключаются к электродвигателю, соединенному по схеме либо «звезда», либо «треугольник».
Когда устройство плавного пуска подключено по схеме «внутри треугольника», через него проходит только 58 % (1/√3) номинального тока электродвигателя. Типоразмер устройства при этом в целях экономии может быть уменьшен. Мощность УПП при этом уменьшается в 1,7 раза, по отношению к номиналу электродвигателя.
При подключении по схеме «внутри треугольника» тиристоры устройства плавного пуска устанавливаются последовательно с каждой обмоткой двигателя.

Подключение «внутри треугольника» (принципиальная схема)
Подключение «внутри треугольника» УПП со встроенным байпасом к электродвигателю
Все функциональные возможности УПП идентичны независимо от способа подключения.
Принцип работы ПЧ и основные узлы
Преобразователь частоты – электротехническое устройство, используемое для управления скоростью вращения или моментом асинхронных электрических электродвигателей и предназначенное для регулирования напряжения с определенной частотой и амплитудой.
Преобразователь частоты предназначен для регулировки скорости вращения, плавного пуска, также возможны функции: работа по моменту, изменение направления вращения, работа в многоступенчатом режиме, ПИД, ПЛК и т.д.
Принцип действия преобразователей частоты линейки Инстарт основан на двойном преобразовании электроэнергии. Первое преобразование осуществляется выпрямителем из переменного тока в постоянный, а второе –инвертором из постоянного тока в синусоидальную ШИМ.
Принципиальная схема ПЧ (при 3-фазном питании)
Принципиальная схема ПЧ (при 1-фазном питании)
На входе устанавливаются выпрямительные диоды. Питающее напряжение из сети поступает на вход диодов, которые выполняют «спрямление» тока. После выпрямления ток становится постоянным, но пульсирующим. Поэтому фильтрующие элементы в звене постоянного тока выполняют функцию сглаживания. Фильтрующие элементы в звене постоянного тока, как правило, представляют собой набор конденсаторов необходимой емкости. В нормальной ситуации, когда сетевое переменное напряжение ~ 380 В, значение на ЗПТ составляет ~ 540 В.
После выпрямителя напряжение поступает на инвертор (IGBT-модуль), а оттуда уже непосредственно на электродвигатель. Форма напряжения на выходе инвертора представляет собой набор прямоугольных импульсов, повторяющих форму синусоиды входного напряжения. Широта и длительность прямоугольных импульсов при этом может быть различной и также может задаваться в зависимости от условий эксплуатации от 0.5 до 16 кГц в моделях Инстарт.
Сравнение ПЧ и УПП
|
Параметр |
ПЧ |
УПП |
|
Обеспечение плавного пуска |
+ |
+ |
|
Снижение пусковых токов на 2 крат от номинала |
+ |
+ |
|
Регулирование напряжения, поступающего на электродвигатель в рабочем режиме |
+ |
- |
|
Регулирование выходной частоты |
+ |
- |
|
Возможность настройки многоскоростного режима |
+ |
- |
|
Возможность настройки ПИД-регуляции |
+ |
- |
|
Возможность управления с рабочей панели, выносного пульта, по сетевому протоколу |
+ |
+ |
|
Возможность установки плат расширений |
+ |
+ |
|
Векторное управление |
+ |
- |
|
Возможность работы с подъемным оборудованием |
+ |
- |
|
Широкий выбор функциональных возможностей |
+ |
- |
