Сетевой ЭМС-фильтр
ДЛЯ ЧЕГО НУЖЕН ЭМС-ФИЛЬТР?
ЭМС фильтры IEF (фильтры электромагнитной совместимости) служат для снижения высокочастотных помех и гармоник высокого порядка в сеть от частотных преобразователей для соответствия требуемым стандартам сети. Если не бороться с высокочастотными помехами, то они проникают в питающую сеть и распространяются по ней на большие расстояния, а также оказывают негативное влияние на другие электронные устройства находящиеся в этой сети.
Фильтры ЭМС Instart можно разделить:
- По типу исполнения: встроенные и внешние.
- По категории электромагнитной совместимости: С2 – высокий уровень подавления помех (необходим в таких применениях как больницы, бизнес-центры, промышленные объекты с соответствующими требованиями и др.) и С3 – средний уровень подавления помех (применяется на большинстве промышленных отраслей).
Фильтры электромагнитной совместимости устанавливают:
- Для снижения высокочастотных помех в сеть от частотных преобразователей, для соответствия требуемым стандартам сети.
- Для защиты частотного преобразователя от гармонических искажений со стороны питающей сети.
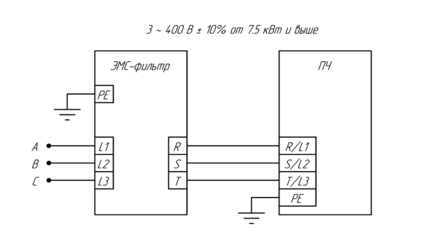
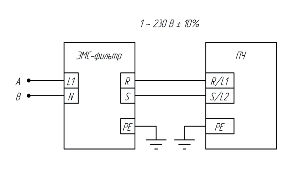
Внешний ЭМС фильтр монтируется на несущую поверхность в вертикальном или горизонтальном положении в непосредственной близости от преобразователя частоты. Для эффективного устранения гармоник ЭМС фильтр должен располагаться на минимальном расстоянии от источника помех (преобразователя частоты). Рекомендуемая длина кабеля – до 1 м, максимальная – до 3 м.
Пример подключения ЭМС фильтра на 1Ф 230В.
Пример подключения ЭМС фильтра на 3Ф 400В.
КАК ПОДОБРАТЬ ЭМС ФИЛЬТР?

Не рекомендуется подбор одного ЭМС фильтра на несколько преобразователей.
Для упрощения задачи подбора, можно использовать «Таблицу подбора сетевых и моторных дросселей и ЭМС фильтров».
Данная таблица есть в каталогах продукции Instart.
